



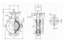
主要零部件材料:

| 选择 | 询价 | 公称通径DN(mm) | A | B | C | D | D1 | D2 | N-M | L | D3 | K | h | φ2 | n1--φ1 | f | J | X | 重量 (kg) | |
|---|---|---|---|---|---|---|---|---|---|---|---|---|---|---|---|---|---|---|---|---|
| mm | inch | |||||||||||||||||||
| 40 | 1 1/2 | 110 | 85 | 65 | 50 | 35 | 105 | 110 | 33 | 35 | 45034 | 2 | 16 | 45024 | 13 | 13.80 | 5 | 2.80 | ||
| 50 | 2 | 125 | 100 | 65 | 50 | 35 | 105 | 110 | 43 | 35 | 45034 | 2 | 16 | 45024 | 13 | 13.80 | 5 | 3.60 | ||
| 65 | 2 1/2 | 145 | 120 | 65 | 50 | 35 | 115 | 135 | 46 | 35 | 45034 | 2 | 16 | 45024 | 13 | 13.80 | 5 | 4 | ||
| 80 | 3 | 160 | 135 | 90 | 70 | 55 | 125 | 145 | 46 | 55 | 45156 | 2 | 20 | 45026 | 13 | 13.80 | 6 | 5.50 | ||
| 100 | 4 | 180 | 155 | 90 | 70 | 55 | 135 | 175 | 582 | 55 | 45156 | 2 | 20 | 45026 | 13 | 1777 | 6 | 7.80 | ||
| 125 | 5 | 210 | 185 | 125 | 102 | 70 | 160 | 210 | 56 | 75 | 45156 | 2 | 22 | 45028 | 13 | 20.92 | 6 | 8.74 | ||
| 150 | 6 | 240 | 210 | 125 | 102 | 70 | 180 | 235 | 56 | 75 | 45161 | 2 | 24 | 45028 | 13 | 20.92 | 8 | 14.80 | ||
| 200 | 8 | 295 | 265 | 150 | 125 | 85 | 220 | 290 | 60 | 85 | 45283 | 2 | 28 | 45030 | 13 | 24.10 | 8 | 21.50 | ||
| 250 | 10 | 355 | 320 | 150 | 125 | 85 | 255 | 340 | 68 | 85 | 45285 | 2 | 30 | 45030 | 13 | 31.45 | 8 | 36.40 | ||
| 300 | 12 | 410 | 375 | 175 | 140 | 100 | 290 | 395 | 78 | 95 | 45285 | 3 | 35 | 45034 | 20 | 34.60 | 10 | 46.30 | ||